電子式電表中的電子元件選型應用
電能表是用來測量電能的儀表,又稱電度表,火表,千瓦小時表,指測量各種電學量的儀表,俗稱電度表、火表。
一 電能表的種類
1.1 按用途:工業與民用表、電子標準表、復費率表
1.2 按結構和工作原理:感應式(機械式)、靜止式(電子式)、機電一體式(混合式)
1.3 按接入電源性質:交流表、直流表
1.4 按準確級:常用普通表:0.2S、0.5S、0.2、0.5、1.0、2.0等
1.5 標準表:0.01、0.05、0.2、0.5等
1.6 按安裝接線方式:直接接入式、間接接入式
1.7 按用電設備:單相、三相三線、三相四線電能表
二 電子式電能表
2.1 電子式電能表的組成
(1) 電源
(2) 采樣計量
(3) 數據處理
(4) 通信
(5) 輸出數據
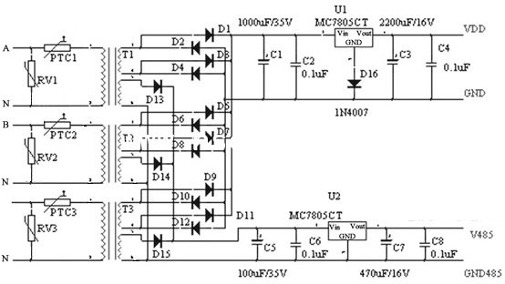
三 電子電度表的工作原理
用
變壓器對各相的電壓進行變壓,然后通過整流穩壓電路對電表供電。

3.1 保護電路
(1) 電路中
壓敏電阻的選型
當加在
壓敏電阻上的電壓低于它本身的閥值時,流過它的電流極小。當電壓超過閥值,就會使得流過它上面的電流激增,從而保護其他對敏感的器件。
風華高科FNR系列壓敏電阻
·采用陶瓷體封裝。
·它的壓敏電壓達560V,可以有效避免電網的故障導致的電表損壞。
·通流量大
·反應速度小于25ns
(2) 電路中
熱敏電阻的選型
當輸入電壓正常時,此時
熱敏電阻和T1初級串聯的回路中的電流為電表正常的電流。當輸入電壓變大時(一般是接地故障),熱敏電阻和T1初級串聯的回路中的電流也將變大,當此電流達到或超過熱敏電阻的動作電流時,熱敏電阻將動作,熱敏電阻阻值會變大,而阻值變大的速度取決于此時電流的大小,電流越大,速度越快。當熱敏的阻值變大時,由歐姆定律I=U/R,可以得出整個回路的電流將變小。
風華高科的MZ2系列熱敏電阻
·專門為電路的過流保護設計,有很高的老化系數。
·耐壓強度和抗氧化性高。
·可以在-10℃~60℃的環境下使用。
·相對溫度40-70%(+40℃±2℃)。
·動作電流從10-400mA,開關溫度在80,100℃兩個范圍。
3.2 整流電路
由于
二極管是PN結組成的,具有單向導電性:P到N的電壓為正(加正向電壓),且到一定值(二極管的閥值,硅管:硅材料二極管為0.6V—0.8V,鍺管:鍺材料二極管為0.2V—0.3V)后二極管會呈現低阻抗狀態(導通),使電流通過二極管。而N到P的電壓為正時(加反向電壓),
二極管會呈現高阻抗狀態(開路),電流不能通過二極管。正弦交流電將成為一個斷續的只有正且大于0.7V的電壓,這個電壓已不再是交流電壓,而是直流電。當然,只是一個斷續的、不穩定的直流電。然后再利用橋式整流電路將其整流為比較連續的,比較穩定的直流電壓。
電路中
整流二極管的選型
風華高科的FH1N系列整流二極管
·超低正向壓降
·高抗浪涌電流
·反向峰值電壓50-1000V。

3.3 濾波(
電容C1 C3 C5 C7)
電路中濾波電容C1、C3、C5、C7在此電路中是對整流后的電壓進行濾波作用的。原理是電容兩端電壓不能突變,對于周期性的高低變化的電壓,
電容會有充電、放電的過程。這樣,整流后的信號將產生如下變化。變為連續的更接近 直流的電壓。C5是對D13(485繞組)整流后的波形進行濾波。C3、C7分別對U1、U2輸出的電壓進行濾波:使波形更 穩定。
由加給電容兩端的電壓決定。比理論上能施加的最大電壓的最大波峰點的值略大就可以,但為了保險起見大多會選擇更大一些的電容。
濾波電容選型
風華高科X5R電容
·電容量大,比容大。
·疊層獨石結構,高可靠性
·優秀的耐焊和可焊性,適用于回流焊
